Productos
Mecanizado suizo de precisión
  • Mecanizado suizo de precisiónMecanizado suizo de precisión
  • Mecanizado suizo de precisiónMecanizado suizo de precisión
  • Mecanizado suizo de precisiónMecanizado suizo de precisión
  • Mecanizado suizo de precisiónMecanizado suizo de precisión

Mecanizado suizo de precisión

Sanluo Precision es un fabricante y proveedor líder de mecanizado suizo de precisión en China, con una profunda acumulación técnica en el mecanizado de cabezal deslizante tipo suizo de alta precisión, lo que brinda a los clientes servicios de mecanizado suizo a nivel de micras. Ofrecemos servicios profesionales de mecanizado suizo personalizados para la industria aeroespacial, implantación médica, instrumentos ópticos, electrónica de alta gama y otros campos, apoyando la personalización de piezas complejas y difíciles. Realizamos la fabricación de piezas pequeñas de ultra alta precisión, cumpliendo plenamente con los estrictos requisitos de la fabricación de alta gama para el mecanizado de precisión de tipo suizo.

Capacidad de mecanizado de precisión

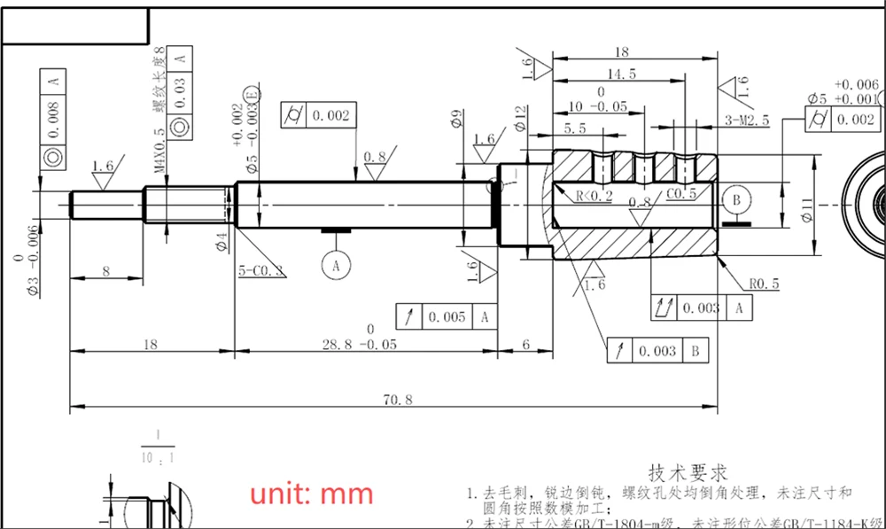
Nuestra planta de procesamiento ha alcanzado el nivel más alto en la industria en términos de control de precisión del mecanizado suizo de precisión. Precisión dimensional: tolerancia de diámetro ±0,002 mm, tolerancia de longitud ±0,005 mm, tolerancia de altura de paso ±0,008 mm, precisión de ajuste grado H6/h5. Precisión geométrica: redondez 0,003 mm, cilindricidad 0,005 mm, concentricidad 0,005 mm, perpendicularidad 0,008 mm, desviación 0,01 mm. Calidad de la superficie: rugosidad de la superficie Ra0,2 ~ 0,8 μm, pulido de precisión Ra0,1 μm aproximadamente, acabado cercano al espejo. Precisión de repetición: consistencia dimensional del procesamiento por lotes ±0,003 mm, CPK≥2,0, capacidad Six Sigma 6σ. Precisión del equipo: precisión de rotación del husillo 0,001 mm, descentramiento del casquillo guía 0,002 mm, precisión de posicionamiento ±0,001 mm, posicionamiento repetido ±0,0005 mm. Control ambiental: taller de temperatura constante con temperatura de 20 ± 0,5 ℃ y humedad de 50 ± 3 % para evitar la deformación térmica y garantizar la precisión.


Precisión de la estación de mecanizado suiza de precisión

Precisión dimensional

sobredosis

IDENTIFICACIÓN

T(C)

PD

DA

unidad:±/mm

0.002

0.002

0.005

0.002

0.0001

Precisión geométrica

Redondez

coaxialidad

Rectitud

Cilindricidad

Desviación circular

unidad:±/mm

0.002

0.003

0.002

0.003

0.002

Capacidad de producción

1~999999 unidades

1~999999 unidades

1~999999 unidades

1~999999 unidades

1~999999 unidades

Ciclo de producción

3-20 días

3-20 días

3-20 días

3-20 días

3-20 días


Tecnología de equipos de precisión

Como fabricante profesional de mecanizado suizo de precisión, Sanluo Precision cuenta con equipos avanzados. Sistema de casquillo guía: casquillo guía de alta precisión, tolerancia del orificio interior ±0,005 mm, material de carburo de tungsteno, buena resistencia al desgaste, larga vida útil, lo que garantiza la precisión del mecanizado. Sistema de husillo: rodamientos hidrostáticos o rodamientos de bolas cerámicos, precisión de rotación de 0,001 mm, funcionamiento a alta velocidad sin vibración, compensación de temperatura, compensación automática del alargamiento térmico del husillo, precisión estable. Sistema de detección: detección en línea con sonda láser, precisión de medición ±0,001 mm, compensación automática, control de circuito cerrado; Ajustador de herramientas láser, medición precisa de la longitud de la herramienta, asegurando consistencia. Brindamos servicios profesionales de mecanizado suizo personalizados para clientes globales.


Parámetros técnicos del equipo

Categoría de parámetro

Detalles de parámetros

Modelo de equipo

Multisuizo 6X16

Marca

Tornos

Posicionamiento central

Producción en masa eficiente de piezas pequeñas complejas

Número de ejes y husillos

6 husillos + 1 husillo trasero opcional

Capacidad de mecanizado

Diámetro máximo de mecanizado 16 mm

Sistema de husillo

Cada husillo controla de forma independiente la velocidad, la indexación y el posicionamiento del eje C; Husillo inferior opcional con velocidad máxima 6000 r/min.

Sistema de herramientas

Cada estación puede acomodar hasta 4 herramientas, capacidad total hasta 18

Sistema CNC

Software de programación Tornos TBDECO o TISIS ISO

Ventajas principales

Procesamiento paralelo de múltiples husillos, eficiencia de producción varias veces mayor que la de los tornos de un solo eje; versión opcional del eje Y

Aplicaciones típicas

piezas de mecanizado suizo de precisión, etc.


Categoría de parámetro

Detalles de parámetros

Modelo de equipo

serie SB

Posicionamiento central

Procesamiento eficiente de piezas pequeñas con múltiples husillos

Número de ejes y husillos

3 ejes, 4 husillos

Capacidad de mecanizado

Diámetro de mecanizado 16 mm o 20 mm

Sistema de husillo

Velocidad del husillo 6.000 - 10.000 rpm, potencia estándar 1 kW

Sistema de torreta

Estructura de riel guía de cola de milano inclinada para mejorar la rigidez de la torreta, 4 tipos de torretas opcionales

Función clave

Husillo estándar equipado con control del eje C

Ventajas principales

Procesamiento diversificado mediante el cambio de combinaciones de herramientas, adecuado para la producción en masa de piezas pequeñas

Aplicaciones típicas

piezas de mecanizado suizo de precisión, etc.


Precision Swiss Machining

Precision Swiss MachiningPrecision Swiss Machining

Precision Swiss MachiningPrecision Swiss Machining


Etiquetas calientes: Mecanizado suizo de precisión, fabricante, personalizado
Enviar Consulta
Datos de contacto
Para consultas sobre nuestros productos o lista de precios, déjenos su correo electrónico y nos pondremos en contacto dentro de las 24 horas.
X
Utilizamos cookies para ofrecerle una mejor experiencia de navegación, analizar el tráfico del sitio y personalizar el contenido. Al utilizar este sitio, acepta nuestro uso de cookies. política de privacidad
Rechazar Aceptar